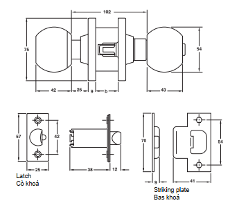
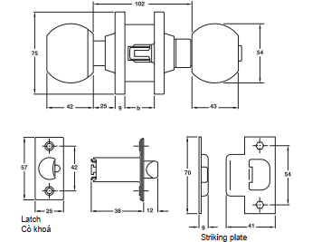
Khóa nắm tròn cho cửa phòng vệ sinh, loại lớn 911.64.246
- Backset: 60mm
- Vật liệu: inox 304
- Hoàn thiện: inox mờ
- Độ dày cửa: 35-45mm
Trọn bộ gồm: 1 khoá tay nắm tròn, 1 cò khóa , 1 bas khoá, 3 chìa khóa (chỉ dành cho cửa chính), 1 bộ gồm vít, 1 Hướng dẫn lắp đặt
Đóng gói: 1 bộ

Ruột khoá 1/2 ,1 đầu vặn,30/10/916.96.207
DIY ruột khóa 65,WC 489.56.252
BAS GIỮ THANH TREO GẮN TƯỜNG 981.52.791
BẢN LỀ BẬT 2 CHIỀU 5'' INOX MỜ 927.97.060
TAY NẮM GẠT GIAVA PVD HAFELE 901.79.734
Ruột khóa vệ sinh HAFELE 916.64.292 màu đen dài 66mm
NẮP CHỤP RUỘT KHÓA T10MM,SSS 903.52.780 











Đánh giá
Chưa có đánh giá nào.